注:1.表中所列规格用户根据需要选取,但在一台断路器中不应超过表中每格中所规定的项目。
2.辅助触头400A及以上为二常开二常闭,225A以下为一常开一常闭。
3.断路器有欠电压脱扣器和分励脱扣器。其电压规格交流有220V、380V,直流有110V、220V供四种。欠压脱扣器电压仅有交流规格。
4.报警触头均为一常开、一常闭触头;
5.壳架等级100A、225A中无248、258、278、348、358、378的规格。
*复式脱扣器——为带瞬时脱扣器和热脱扣器的脱扣器。
DZ20塑壳断路器是以Y型为基本产品,由绝缘外壳、操作机构、触头系统和脱扣器四个部分组成。断路器的操作机构具有使触头快速合闸和分断的功能,其“合”“分”“再扣”和“自由脱扣”位置以手柄位置来区分。
C型、J型和G型断路器是在Y型基本产品基础上派生设计而成(除C型160A外)。J型断路器是将Y型断路器的触头进行结构改进,使之在短路情况下,在机构动作之前,动触头能迅速斥开,达到提高通断能力的目的。
G型断路器是在Y型断路器的底板后串联的一个平行导体组成的斥力限流触头系统,该系统比J型的斥力触头长,断开距离也大,因此能更迅速的限流。
四级断路器中性极(N)不装脱扣元件,位于最右侧位置。在分合过程中,中性极规定为闭合时较其他三级先接触,分闸时较其他三级后断开。
C型断路器是为满足630KVA及以下变压器电网中的配电保护之需要,通过先用经济型材料的简化结构及改进工艺等办法,能够达到较好的经济效果。
.DZ20系列断路器主要技术性能
(1)各部件主要技术参数 (1)瞬时脱扣器整定电流Ir:
注:C型瞬时脱扣器整定电流Ir=10In。
(2)配电用反时限特性见表1,电动机保护用反时限见表2
(3)分励脱扣器:短时工作制。额定控制电源电压:AC220、380V,DC110、220V
(4)欠电压脱扣器:额定工作电压:AC220,380V。在电源电压等于或大于85%Ue时能保证断路器可靠闭合,当电源电压低于35%Ue时能防止断路器闭合,当电源电压为(70%~35%)Ue时,断路器能可靠断开。
(5)报警触头:额定工作电压:AC220V,约定发热电流:1A
(6)辅助触头:在不装欠电压脱扣器和分励脱扣器时,可装辅助触头。辅助触头额定值见表3;接通和分断能力见表4;电寿命试验参数见表5;寿命次数为印50次。
表4
注:表中225A及以下Pe=30W,400A及以上Pe=45W。P=Ue·Ie为稳定状态功率损耗(下同)
表5
注:表中225A及以下Pe=30W,400A及以上Pe=45W
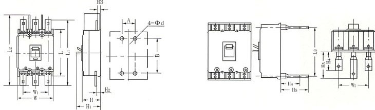
DZ20塑壳断路器(空气开关)的外部附件
1.电动操作机构有关参数及断路器安装电动操作机构后总高度H见表。
|
型号 |
DZ20Y、J-100 |
DZ20G-100 |
DZ20Y、J-225 |
DZ20G-225 |
DZ20Y-400 |
DZ20J-400 |
DZ20G-400 |
DZ20Y、J-1250 |
|
高度H |
185 |
235 |
220 |
305 |
230 |
245 |
345 |
275 |
|
结构形式 |
电磁铁 |
电动机 |
? |
|||||
|
电压规格 |
AC50Hz、220V、380V |
|||||||
|
注:带电动操作机构的断路器脱扣跳闸后,电动操作机构必须使断路器再扣,然后才能合闸! |
||||||||
2手动操作机构安装尺寸见表.
|
型号 |
DZ20Y、J、G-100 |
DZ20Y、J、G-225 |
DZ20Y-400 |
DZ20J、G-400 |
|
安装尺寸H |
55 |
85 |
105 |
80 |
|
操作手柄相对于断路器中心X值 |
0 |
0 |
0 |
0 |
|
型号 |
外形尺寸 |
||||||||||||
|
板前连接 |
板后连接 |
||||||||||||
|
W |
L |
H |
W1 |
L1 |
L2 |
H1 |
H2 |
H3 |
W1 |
L3 |
H4 |
H5 |
|
|
DZ20Y-100 |
105 |
165 |
86.5 |
70 |
- |
215 |
103 |
26.5 |
26.5 |
70 |
147 |
55.5 |
55.5 |
|
DZ20J-100 |
|||||||||||||
|
DZ20G-100 |
140 |
218.5 |
156.5 |
80.5 |
140.5 |
||||||||
|
DZ20C-160 |
108 |
155 |
84 |
? |
- |
- |
106.5 |
34 |
34 |
70 |
212.5 |
64 |
64 |
|
DZ20Y-225 |
108.5 |
256.5 |
105 |
70 |
326.5 |
402 |
142 |
19.5 |
19.5 |
70 |
47 |
90 |
|
|
DZ20J-225 |
108.5 |
||||||||||||
|
DZ20G-225 |
108.5 |
187 |
227 |
38 |
103.5 |
100 |
|||||||
|
DZ20C-250 |
109 |
208 |
105 |
70 |
298 |
- |
142 |
13.5 |
13.5 |
70 |
219 |
75 |
128 |
|
DZ20Y-400 |
155 |
276 |
116 |
102 |
391 |
149.5 |
26.5 |
26.5 |
102 |
247 |
80 |
125 |
|
|
DZ20C-400 |
|||||||||||||
|
DZ20J-400 |
210 |
268 |
108 |
140 |
367 |
- |
147 |
21.5 |
21.5 |
140 |
233 |
90 |
90 |
|
DZ20G-400 |
208 |
394 |
247 |
75 |
121.5 |
85 |
119 |
||||||
|
DZ20Y-630 |
108 |
- |
147 |
21.5 |
21.5 |
90 |
90 |
||||||
|
DZ20J-630 |
|||||||||||||
|
DZ20Y-1250 |
212 |
393 |
142 |
140 |
559 |
- |
216 |
31 |
31 |
140 |
325 |
124 |
184 |
?
如果你希望了解DZ20塑料外壳式断路器的更多内容,如价格,使用说明,维修等相关,请联系我们!

