欢迎光临~GW4户内高压隔离开关

行程开关

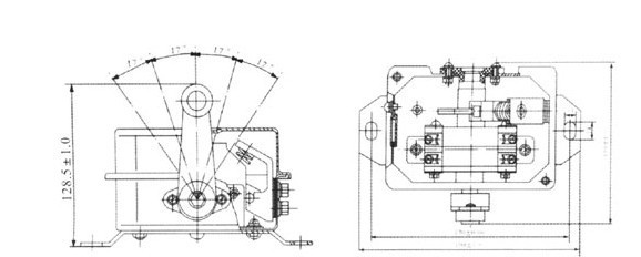
  • LX10行程开关
LX10行程开关

LX10行程开关

上一个: LX44行程开关 下一个: X2行程开关