|
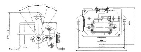
LX10-11、12、12B
|
采用杠杆操作,用于惯性行程较大的平移机构
|
||||
|
LX10-21、22
|
带有滚子的叉型操动臂,用于惯性行程较大的平移机构
|
||||
|
LX10-31、32
|
带有平衡重锤的荷重扛杵状的操作动臂,用于限制提升机构的行程
|
||||
|
LX10-41、42
|
带有叉型操动臂,用于三个操作位置的平移机构
|
||||
|
1X10-51、52
|
带有荷重扛杵状的操作动臂,用于速度不大的平移机构
|
||||
|
LX10-61、62
|
在外壳的两侧各有一个带滚子的操动臂,用于速度较大的平移机构
|
||||
|
LX10-11S、12S
|
采用尺扞操动臂,用于惯性行程较大的平移机构
|
||||
|
LX10-21S、22S
|
带有滚子的叉型操动臂,用于惯性行程较大的平移机构
|
||||
|
LX10-31S、32S
|
带有平衡重锤的荷重扛杵状的操作动臂,用于限制提升机构的行程
|
||||
|
LX10-41S、42A
|
带有叉型操动臂,用于三个操作位買的平移机构
|
||||
|
LX10-51S、52A
|
带有荷重扛杵状的操作动臂,用于速度不大的平移机构
|
||||
|
LX10-61S、62S
|
在外壳的两侧各有一个带滚子的操动臂,用于速度较大的平移机构
|
||||

